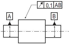
I.

II.

III.

Leitura e Interpretação de Desenho Técnico. Tolerância Geométrica.
Telecurso 2000. Aula 29 (Adaptado)
Devido à dificuldade na obtenção de superfícies perfeitamente exatas em um processo de usinagem, a peça apresenta erros de forma e posição para elementos associados. Os desenhos acima apresentam simbologia de erros macrogeométricos. Os significados das simbologias, apresentadas nas figuras I, II e III, são, respectivamente,
Provas
Questão presente nas seguintes provas
Mecânico Industrial - Oficinas Pleno
50 Questões
Mecânico Industrial Pleno
50 Questões
Mecânico Industrial Sênior
50 Questões