Magna Concursos
Questões
Planos
Entrar
Entrar
Criar Conta
Respondida
664513
Ano:
2016
Disciplina:
Engenharia Eletrônica
Banca:
AOCP
Orgão:
EBSERH
Provas:
Engenheiro Eletricista
Provas
×
Amplificadores em Eletrônica
Eletrônica Analógica na Engenharia Eletrônica
Transistores
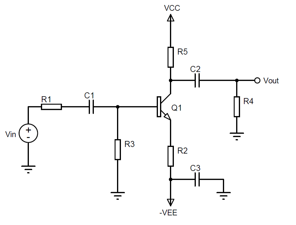
Um Engenheiro Eletricista está analisando o seguinte circuito de eletrônica. Ao interpretá-lo, o Engenheiro concluiu que esse circuito
A
trata-se de um amplificador em emissor comum com uma resistência no emissor.
B
utiliza um transistor IGBT para amplificar o sinal de entrada Vin.
C
refere-se a um comparador analógico de 12 bits.
D
apresenta arquitetura RISC.
E
amplifica o sinal de entrada em Vout e amostra o sinal amplificado em Vin.
Resolver
Comentários
0
×
Cadernos
×
Flashcards
×
Estatísticas
×
Reportar um erro
×
Provas
Questão presente nas seguintes provas
Engenheiro Eletricista
50 Questões
Resolver Prova
Publicar
Responder
Qual o problema da questão?
Selecione uma opção
Questão Desatualizada
Questão Repetida
Gabarito Errado
Outros Motivos
Mensagem
Enviar
Acessar
Criar Conta
Acesse sua Conta
Google
Facebook
Esqueci minha senha
Acessar
Ainda não tem conta?
Crie uma
!
Crie uma Conta
Criar Conta
Olá, para continuar, precisamos criar uma conta!
É
rápido
e
grátis
.
Google
Facebook
Concordo com os
Termos de Uso
Criar
Já tem uma conta?
Acesse aqui