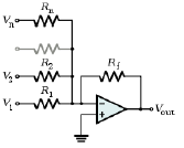
Associe os diagramas da coluna 1 com as referências na coluna 2, em relação aos tipos de aplicações de amplificadores operacionais.
COLUNA 1
I - 

II - 

III - 

IV - 

COLUNA 2
( ) Amplificador diferencial
( ) Circuito comparador
( ) Amplificador inversor
( ) Amplificador somador
Assinale a alternativa que apresenta a sequência CORRETA, de cima para baixo.