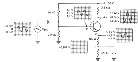
Analise o circuito amplificador de tensão a seguir.

Com relação a esse amplificador, é correto afirmar:
Provas
Questão presente nas seguintes provas
Analise o circuito amplificador de tensão a seguir.

Com relação a esse amplificador, é correto afirmar: