Magna Concursos
721492 Ano: 2009
Disciplina: Engenharia Elétrica
Banca: FCC
Orgão: TCE-GO
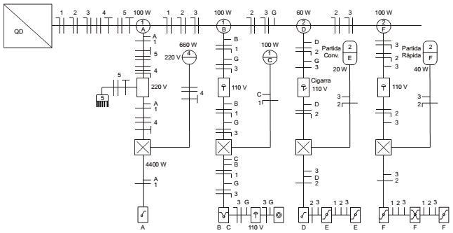
Considere a representação elétrica a seguir.

enunciado 721492-1

A representação está corretamente identificada em:

 

Provas

Questão presente nas seguintes provas