
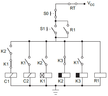
A figura acima apresenta a parte de controle do circuito de acionamento de duas máquinas trifásicas, energizadas por intermédio dos contatores C1 e C2. As chaves S0 e S1 são do tipo sem retenção. A ação de acionar uma chave significa apertá-la e em seguida deixá-la retornar a sua posição inicial. O relé K1 é do tipo com retardo na ligação, programado para Ta minutos, enquanto os relés K2 e K3 são do tipo com retardo no desligamento, respectivamente programados para Tb e Tc minutos. Com o sistema em condições normais de funcionamento, considere que o operador acionou a chave S0 e, após 2 minutos, a chave S1. Nessa situação, sem que haja novas interferências do operador, analise as afirmativas a seguir.
I - As duas máquinas poderão, simultaneamente, ser energizadas eletricamente por algum intervalo de tempo.
II - A máquina comandada pelo contator C1 funcionará intermitentemente por Ta minutos, quando, então, será desligada por Tb + Tc minutos.
III - A máquina comandada por C2 entrará em funcionamento imediatamente após o desligamento da máquina comandada por C1.
IV - O funcionamento das máquinas será cíclico, isto é, alternarão o funcionamento sempre mantendo um intervalo de Tb + Tc minutos de parada entre a energização de uma delas.
São verdadeiras, apenas, as afirmativas: