Magna Concursos
1035631 Ano: 2016
Disciplina: Engenharia Eletrônica
Banca: CESPE / CEBRASPE
Orgão: Polícia Científica-PE
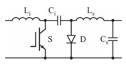
Conversores CC-CC são normalmente constituídos por dispositivos semicondutores de potência que operam como chave, por elementos passivos, indutores e capacitores. No que concerne a esse assunto, assinale a opção correta acerca das características de conversores CC-CC.
 

Provas

Questão presente nas seguintes provas

Perito Criminal - Engenharia Elétrica

100 Questões