Considerando o circuito eletrônico a seguir, analise as
afirmativas e assinale a alternativa correta.
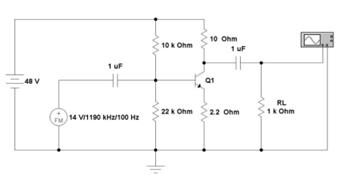
I.O componente "Q1" é um transistor bipolar PNP que, no circuito, está configurado como amplificador para um circuito típico de áudio.
II.O transistor "Q1" está polarizado na configuração conhecida como "polarização por divisão de tensão".
III.Os capacitores de 1 µF na entrada e na saída têm por função principal o desacoplamento do componente DC nesse estágio (bloqueio do componente contínuo do sinal).
É correto o que se afirma em:
I.O componente "Q1" é um transistor bipolar PNP que, no circuito, está configurado como amplificador para um circuito típico de áudio.
II.O transistor "Q1" está polarizado na configuração conhecida como "polarização por divisão de tensão".
III.Os capacitores de 1 µF na entrada e na saída têm por função principal o desacoplamento do componente DC nesse estágio (bloqueio do componente contínuo do sinal).
É correto o que se afirma em:
Provas
Questão presente nas seguintes provas