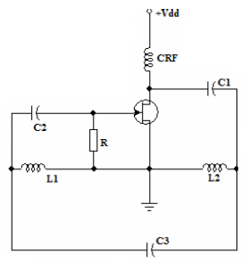
O que aconteceria com a frequência de oscilação do circuito, oscilador Hartley, abaixo, se somente os indutores fossem alterados, fazendo com que Leq fosse o dobro de seu valor inicial?
Considere:
ffo = frequência de oscilação final
fio = frequência de oscilação inicial
fio = frequência de oscilação inicial
