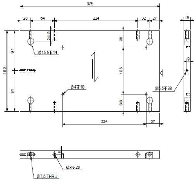
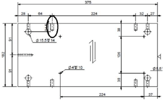
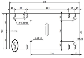
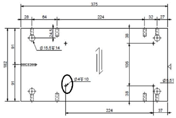
No desenho técnico, as cotas são as medidas reais representadas no desenho. Na imagem a seguir, temos uma peça representada em três vistas, frontal, lateral e superior, em uma dessas vistas é possível identificar um furo com diâmetro 8mm e profundidade de 20mm.

Identifique a alternativa que destaca esse furo com uma elipse na vista frontal: