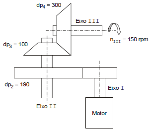
Para o acionamento de uma máquina por meio de um pinhão cônico, montado no eixo III, do sistema de transmissão esquematizado abaixo, dispõe-se de um motor de 10 CV e 1800 rpm.

Conhecido o módulo de 2,5 mm do par de engrenagens cilíndricas e os diâmetros primitivos das engrenagens 2, 3 e 4, indicados no esquema, conclui-se que