Magna Concursos
1776807 Ano: 2004
Disciplina: Engenharia Elétrica
Banca: CESPE / CEBRASPE
Orgão: PF

Enunciado 1776807-1

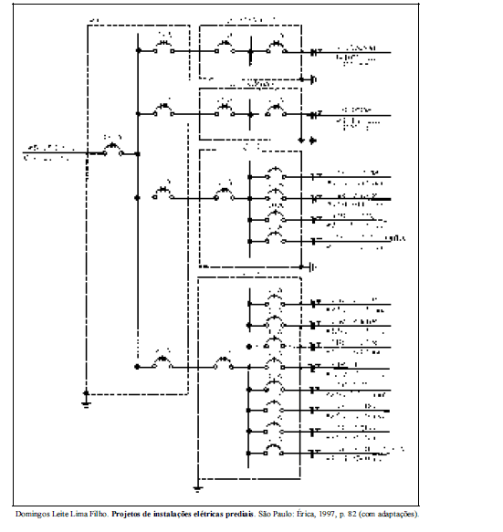
A figura acima mostra o diagrama unifilar de parte da instalação elétrica que alimenta os quadros de um condomínio de apartamentos. luz das prescrições da NBR 5410, julgue os itens subseqüentes, relativos a essa instalação elétrica.

Se a tensão nominal dessa instalação for 380 V, é correto afirmar que ela possui transformadores de corrente auxiliares para a medição de consumo de energia elétrica.

 

Provas

Questão presente nas seguintes provas

Perito Criminal Federal - Engenharia Elétrica

120 Questões