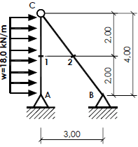
A estrutura apresentada na figura abaixo está submetida ao carregamento indicado. Os valores de momento fletor na seção 1, esforço cortante no apoio A e esforço normal na seção 2, valem, respectivamente:

(dimensões em metros)
Provas
Questão presente nas seguintes provas