Magna Concursos
88657 Ano: 2009
Disciplina: Engenharia Mecânica
Banca: UFRJ
Orgão: INPI

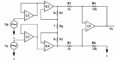
Observe o circuito a seguir.

Enunciado 3576752-1

Se nesse circuito o ganho !$ G=\dfrac{Vc}{Va-Vb} !$ vale 60dB, então o valor do resistor Rg é:

 

Provas

Questão presente nas seguintes provas