
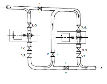
Em inúmeras aplicações industriais, a faixa necessária de variação de descargas e de altura manométrica pode ser excessivamente grande para ser obtida com apenas uma única bomba capaz de operar com variações de velocidades. Nesse caso, recorre-se então a associações de duas ou mais bombas em série ou em paralelo, ou, ainda, a associações série-paralelo. A figura acima ilustra uma instalação de bombeamento com duas bombas centrífugas iguais. A manipulação das válvulas I, II e III permite uma grande flexibilidade operacional dessas bombas. Considere que as demais válvulas da instalação encontrem-se permanentemente abertas. A partir dessas informações e desconsiderando as perdas de carga do sistema, julgue os itens a seguir, relativos à instalação ilustrada.
Para se dobrar a vazão de bombeamento da instalação, deve-se abrir a válvula I, fechar a válvula II e abrir a válvula III, pois essa configuração operacional permitirá obter uma vazão resultante que será a soma das vazões das duas bombas.