
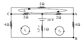
Considerando que, no circuito elétrico mostrado na figura acima, todas as resistências estejam em ohms e as grandezas i 1 , i 2 e i 3 representem correntes de malha orientadas conforme os loops mostrados no circuito, julgue os itens que se seguem.
A corrente que flui pela fonte de tensão é igual à soma algébrica das correntes de malha i 1 e i 2 .