
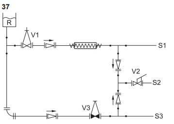
A Figura acima representa a vista lateral de uma tubulação. O reservatório R contém água a temperatura ambiente. De início, todas as válvulas estão totalmente fechadas.
Ao abrir totalmente as válvulas gaveta e de fecho rápido, mantendo a válvula globo fechada, a água sai