
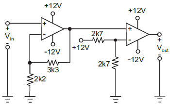
A figura apresenta um circuito amplificador não inversor, seguido de um circuito comparador. Considerando que os amplificadores operacionais são ideais, a tensão de entrada Vin, em Volts, para que a tensão de saída Vout seja negativa é:
Provas
Questão presente nas seguintes provas