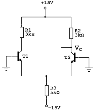
O amplificador diferencial é um circuito muito utilizado na construção de circuitos integrados. No circuito abaixo, considere os transistores T1 e T2 com características idênticas com uma queda VBE = 0,7V e também que as correntes de coletor são iguais às correntes de emissor.

O valor da tensão em VC (coletor de T2), em relação ao terra, será igual a