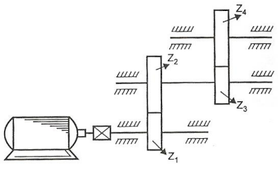
Analisando a Figura a seguir, considere que as engrenagens (Z1, Z2, Z3, Z4) e os pares de mancais de rolamento apresentam individualmente 90% de rendimento e a potência do motor de 50 cv. O valor percentual de perda de potência e a potência disponível na árvore que aciona a engrenagem Z4 é aproximadamente

MELCONIAN, Sarkis. Elementos de máquinas. 9. ed. São Paulo, Érica, 2008.
Provas
Questão presente nas seguintes provas