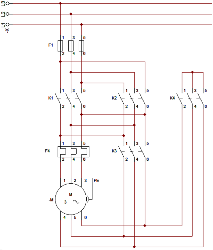
A respeito da partida de motores trifásicos, em que o diagrama de potência está representado na figura a seguir, assinale a alternativa que apresenta o método de partida correspondente a este diagrama:

A respeito da partida de motores trifásicos, em que o diagrama de potência está representado na figura a seguir, assinale a alternativa que apresenta o método de partida correspondente a este diagrama:
