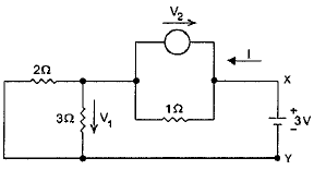
Observe o circuito abaixo.

Sendo V2 uma fonte de tensão controlada por tensão, cujo valor é 4V1 e onde v, é a diferença de potencial aplicada no resistor de 30, calcule o valor da corrente I para esse circuito e assinale a opção correta.
Provas
Questão presente nas seguintes provas