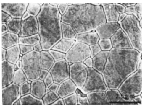
Considerando a figura a seguir, obtida por microscopia eletrônica de varredura (SEM), os grãos, após fratura, lixamento e polimento, foram revelados por ataque térmico.

(Mohamed N. Rahaman. Sintering of Ceramics, 2007)
Utilizando o método dos interceptos:

Sendo: Lt o comprimento total de traços, P o número total de interceptos e M a ampliação.
É correto afirmar que o tamanho médio de grãos (G) é
Provas
Questão presente nas seguintes provas