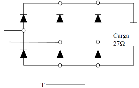
A figura abaixo se refere às questões de número 60 e 61.

Alimentação trifásica da rede em 380 V.
O valor médio mais próximo da tensão retificada na carga é:
A figura abaixo se refere às questões de número 60 e 61.

Alimentação trifásica da rede em 380 V.
O valor médio mais próximo da tensão retificada na carga é: