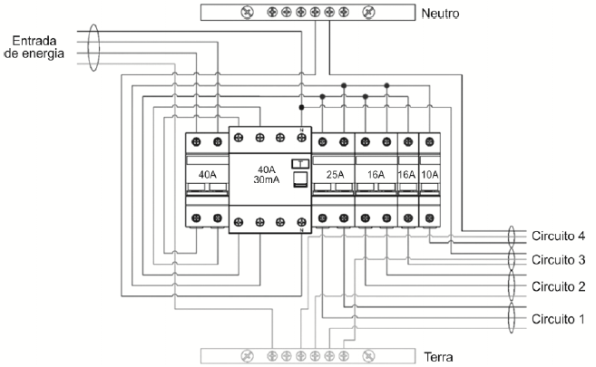
Após o comissionamento de um quadro de alimentação elétrica residencial, com conexão das cargas, o Interruptor Diferencial Residual (IDR) atuou. Considere a imagem de representação das ligações do quadro abaixo.

Apresenta a causa provável da atuação do IDR: