Magna Concursos
1390512 Ano: 2010
Disciplina: Engenharia Eletrônica
Banca: IF-SUL
Orgão: IF-SUL
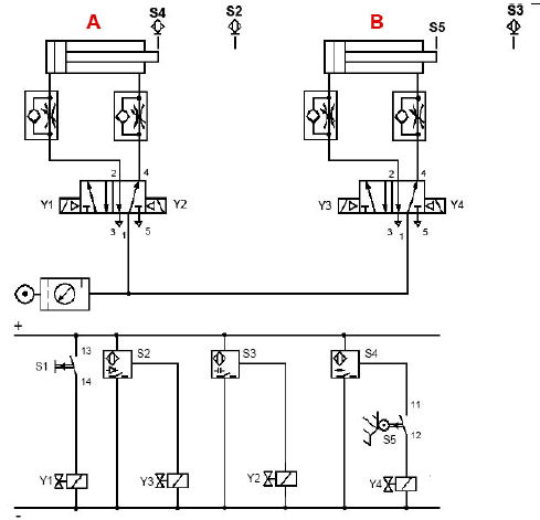
Observe o esquema eletropneumático abaixo:
Enunciado 1390512-1
Em relação a este esquema, afirma-se:
I. O diagrama elétrico foi desenvolvido pelo método passo a passo.
II. A sequência de funcionamento dos cilindros é A+ B+ A- B-
III. As válvulas de controle de vazão estão controlando o ar de entrada dos atuadores.
Está(ao) correta(s) a(s) afirmativa(s):
 

Provas

Questão presente nas seguintes provas