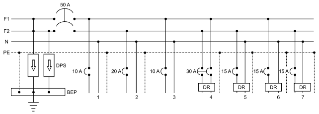
O diagrama multifilar de uma instalação residencial elaborada conforme a Norma NBR-5410 é apresentado na Figura.
Figura – Diagrama Multifilar

(CREDER, 16ª Edição, 2016)
Sabendo-se que a rede de distribuição que atende a essa instalação tem tensão secundária de 220/127 V, é correto afirmar que os circuitos
Provas
Questão presente nas seguintes provas