Magna Concursos
1267317 Ano: 2017
Disciplina: Engenharia Eletrônica
Banca: FUNDEP
Orgão: UFVJM

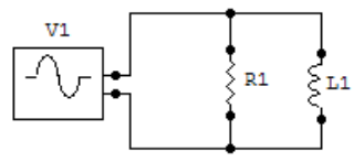
No circuito R1 = 10 KΩ e XL1 = 10 KΩ.

Enunciado 1267317-1

A impedância do circuito RL vista pela fonte de tensão é igual a:

Questão Anulada

Provas

Questão presente nas seguintes provas

Técnico - Eletroeletrônica

40 Questões