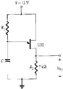
Dado o oscilador de relaxação abaixo, cujo componente ativo é um UJT (unijunction transistor - transistor de unijunção), a tensão mínima que permite o acionamento do UJT é igual a: (Considere a resistência entre os terminais do UJT aberto RBB = 5 kΩ e a relação de equilíbrio intrínseca do UJT η = 0,6)

Provas
Questão presente nas seguintes provas