Os termistores são sensores caracterizados pela
variação de resistência em função da temperatura.
Um termistor do tipo NTC encontra-se conectado ao circuito de instrumentação apresentado na figura abaixo.
Sabendo que o voltímetro conectado ao circuito apresenta a indicação de 0 volts, assinale a alternativa que corresponde corretamente ao valor da resistência elétrica do termistor no momento da medição da tensão elétrica:
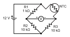
Um termistor do tipo NTC encontra-se conectado ao circuito de instrumentação apresentado na figura abaixo.
Sabendo que o voltímetro conectado ao circuito apresenta a indicação de 0 volts, assinale a alternativa que corresponde corretamente ao valor da resistência elétrica do termistor no momento da medição da tensão elétrica: