Observe a figura a seguir.

Sabendo-se que R1= 5k!$ \Omega !$ e R2=10k!$ \Omega !$, qual o estado dos diodos D1 e D2 na figura acima?
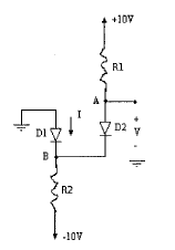
Observe a figura a seguir.

Sabendo-se que R1= 5k!$ \Omega !$ e R2=10k!$ \Omega !$, qual o estado dos diodos D1 e D2 na figura acima?