Examine o diagrama esquemático elétrico.

Considerando o filtro ativo, representado no diagrama, onde todos os componentes se comportam de forma ideal, é correto afirmar que o "terra virtual" do circuito é o nó
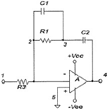
Examine o diagrama esquemático elétrico.

Considerando o filtro ativo, representado no diagrama, onde todos os componentes se comportam de forma ideal, é correto afirmar que o "terra virtual" do circuito é o nó