- Diodo na Engenharia Eletrônica
- Eletrônica Analógica na Engenharia Eletrônica
- Eletrônica Digital na Engenharia Eletrônica
- Flip-flops
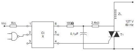
Considere o circuito abaixo.

Um circuito integrado comercial comumente utilizado na função do CI X é:

Um circuito integrado comercial comumente utilizado na função do CI X é: