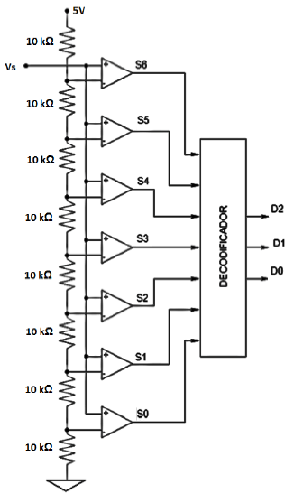
Um conversor AD paralelo de três bits é apresentado na figura a seguir, onde seus comparadores são ideias. As saídas estão calibradas para (D1, D2, D3) = (0, 0, 0), quando Vs<0,625 V e (D1, D2, D3) = (1, 1, 1) e quando Vs>4,375 V:

Qual será o estado da saída do conversor quando a entrada Vs estiver no intervalo 3,21 V<Vs<3,43 V?