Magna Concursos
1530726 Ano: 2015
Disciplina: Engenharia Eletrônica
Banca: IF-SP
Orgão: IF-SP

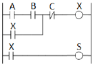
Dado o diagrama LADDER a seguir, pode-se afirmar:

Enunciado 3430805-1

 

Provas

Questão presente nas seguintes provas

Professor PEBTT - Controle e Automação II

80 Questões