Magna Concursos
3905132 Ano: 2025
Disciplina: Engenharia Eletrônica
Banca: DIRENS Aeronáutica
Orgão: CIAAR

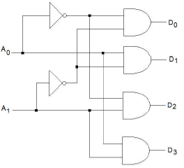
Marque a opção que apresenta a expressão lógica para a saída D2 no sistema digital mostrado na figura abaixo.

Enunciado 4746659-1

Fonte: Banca Examinadora, 2026.

 

Provas

Questão presente nas seguintes provas

EAOEAR - Engenharia Eletrônica

60 Questões