747310
Ano: 2019
Disciplina: Engenharia Elétrica
Banca: FCC
Orgão: Pref. São José Rio Preto-SP
Disciplina: Engenharia Elétrica
Banca: FCC
Orgão: Pref. São José Rio Preto-SP
Provas:
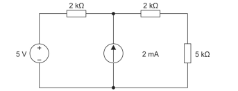
Considere o circuito elétrico abaixo:

O circuito equivalente de Thévenin, considerando como carga o bipolo de 5 kΩ, possui valor de tensão (V) e resistência (kΩ), respectivamente, de