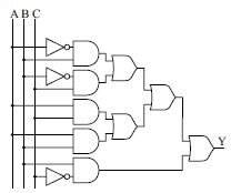
A figura ilustra um circuito lógico, que possui três entradas e uma saída.

Assinale a alternativa que apresenta a soma mínima (obs.: para se obter a soma mínima é possível utilizar o Mapa de Karnaugh).
Provas
Questão presente nas seguintes provas
A figura ilustra um circuito lógico, que possui três entradas e uma saída.

Assinale a alternativa que apresenta a soma mínima (obs.: para se obter a soma mínima é possível utilizar o Mapa de Karnaugh).