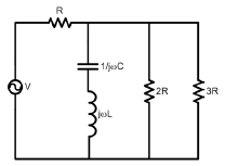
O circuito apresentado a seguir é alimentado por uma fonte senoidal, cuja frequência é a frequência de ressonância do sistema.

A impedância vista pela fonte de tensão é
O circuito apresentado a seguir é alimentado por uma fonte senoidal, cuja frequência é a frequência de ressonância do sistema.

A impedância vista pela fonte de tensão é