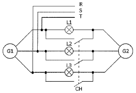
Observe a figura a seguir.

A figura acima representa um esquema elétrico conforme os dados abaixo:
- G1 é um gerador trifásico ligado à rede elétrica de fases R, S e T.
- G2 é um segundo gerador a ser ligado em paralelo com G1, na mesma rede trifásica R, S e T.
- L1, L2 e L3 são lâmpadas sinalizadoras.
- CH é a chave trifásica que conecta Gl em paralelo com G2.
A condição de regulação da tensão e frequência do gerador G2 em que ocorre a sincronização com o gerador G1 é observada quando as três lâmpadas L1, L2 e L3
Provas
Questão presente nas seguintes provas