
ABNT NBR 14565 (com adaptações).
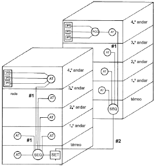
Com base na figura acima, que apresenta os elementos principais de um sistema estruturado de acordo com a NBR 14565, julgue o item subsequente.
Um ponto de consolidação de cabos (PCC) determina o local no cabeamento secundário (sem conexão secundária) onde poderão ocorrer mudanças de capacidade dos cabos.
Provas
Questão presente nas seguintes provas
Analista Técnico-Científico - TI/Suporte Técnico
120 Questões