Magna Concursos
2103902 Ano: 2020
Disciplina: Engenharia Mecânica
Banca: VUNESP
Orgão: CODEN
Provas:

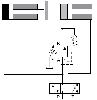
Considere a figura:

Enunciado 2103902-1

A figura representa o sistema hidráulico denominado circuito

 

Provas

Questão presente nas seguintes provas

Mecânico - Manutenção

50 Questões