Magna Concursos
2743134 Ano: 2021
Disciplina: Engenharia Eletrônica
Banca: Marinha
Orgão: Marinha

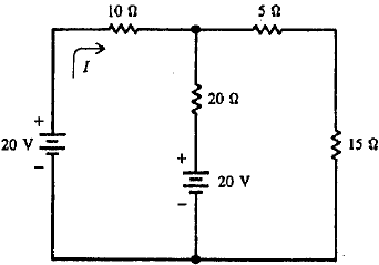
Calcule a corrente I no circuito apresentado na figura abaixo e assinale a opção correta.

Enunciado 3520837-1

 

Provas

Questão presente nas seguintes provas