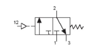
Os circuitos pneumáticos são constituídos por elementos de trabalho (atuadores), sinal e comando (válvulas). As válvulas são elementos de comando para partida, parada, direção ou regulagem. A figura abaixo representa uma:

Os circuitos pneumáticos são constituídos por elementos de trabalho (atuadores), sinal e comando (válvulas). As válvulas são elementos de comando para partida, parada, direção ou regulagem. A figura abaixo representa uma:
