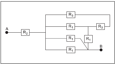
No circuito elétrico da figura, os vários elementos têm resistências !$ R_1 !$, !$ R_2 !$ e !$ R_3 !$ conforme indicado. Sabendo que !$ R_3 = R_1/2 !$, para que a resistência equivalente entre os pontos A e B da associação da figura seja igual a 2 !$ R_2 !$ a razão !$ r = R_2/R_1 !$ deve ser
