Magna Concursos
Questões
Planos
Entrar
Entrar
Criar Conta
Respondida
2479633
Ano:
2014
Disciplina:
Engenharia Eletrônica
Banca:
DIRENS Aeronáutica
Orgão:
EEAr
Provas:
EAGS - Eletrônica
Provas
×
Transistores
Transistor Junção Bipolar (TJB)
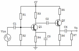
Analise o circuito abaixo e assinale a alternativa correta.
A
O sinal de saída (Vo) está defasado de 180° do sinal de entrada (Vin).
B
O sinal na base de
!$ Q_1 !$
está 90° adiantado em relação ao sinal de base de
!$ Q_2 !$
.
C
O sinal de saída (Vo) está em fase com o sinal de entrada (Vin).
D
O sinal de saída (Vo) apresenta um ganho 10 vezes maior que o sinal de coletor de
!$ Q_1 !$
.
Resolver
Comentários
0
×
Cadernos
×
Flashcards
×
Estatísticas
×
Reportar um erro
×
Provas
Questão presente nas seguintes provas
EAGS - Eletrônica
100 Questões
Resolver Prova
Publicar
Responder
Qual o problema da questão?
Selecione uma opção
Questão Desatualizada
Questão Repetida
Gabarito Errado
Outros Motivos
Mensagem
Enviar
Acessar
Criar Conta
Acesse sua Conta
Google
Facebook
Esqueci minha senha
Acessar
Ainda não tem conta?
Crie uma
!
Crie uma Conta
Criar Conta
Olá, para continuar, precisamos criar uma conta!
É
rápido
e
grátis
.
Google
Facebook
Concordo com os
Termos de Uso
Criar
Já tem uma conta?
Acesse aqui