
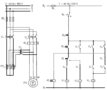
H. Creder. Instalações elétricas. LTC, 14.ª ed., 2000, p. 248 (com adaptações).
A figura acima mostra os circuitos de força e de comando para o acionamento de um motor de indução trifásico. Para o acionamento, é utilizado um esquema elétrico que consiste na inserção automática de autotransformador indicado por m2, conforme controle efetuado via circuito de controle. A respeito dessas informações e do funcionamento dos elementos dos circuitos, julgue o item subseqüente.
O dispositivo e2 pode interromper a alimentação do motor, caso seja observada sobrecarga no circuito de força.