Magna Concursos
Enunciado 3094929-1
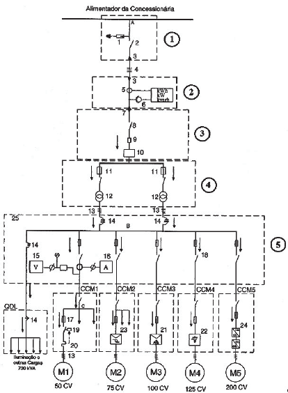
A figura acima mostra o diagrama unifilar, característico de uma instalação elétrica industrial com entrada de serviço subterrânea. Observando-se a numeração indicativa das regiões pontilhadas, numere os elementos abaixo, associando a região ao número indicado na figura.
( ) Posto de Transformação
( ) Ponto de Entrada de Energia
( ) Quadro Geral de Força
( ) Posto de Proteção
( ) Posto de Medição
A ordem correta dos números, de cima para baixo, é
 

Provas

Questão presente nas seguintes provas

Técnico de Manutenção - Elétrica

100 Questões