
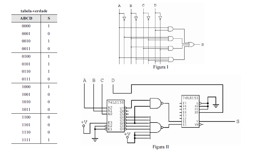
O circuito da figura II acima tem as características a seguir.
< O circuito integrado 74LS138 é um decodificador: A2, A1 e A0 são entradas e Q7, Q6, Q5, Q4, Q3, Q2, Q1 e Q0 são saídas, listadas aqui em ordem de significância, do mais significativo para o menos significativo — essas saídas são ativas em nível baixo, conforme indicado no diagrama.
< O circuito integrado 74LS151 é um multiplexador: S2, S1 e S0 são as entradas de seleção e I7, I6, I5, I4, I3, I2, I1 e I0 são as entradas de dados, listadas aqui em ordem de significância, do mais significativo para o menos significativo; Y é a saída do multiplexador — YN é a saída invertida.
< As entradas E3, E2 e E1 do decodificador e a entrada E do multiplexador são terminais de habilitação; E3 é ativa em nível alto (+V), enquanto E2, E1 e E são ativas em nível baixo (terra), conforme indicado no diagrama.
A partir dessas informações e considerando a tabela-verdade e os circuitos mostrados nas figuras I e II, julgue os itens que se seguem.