Magna Concursos
2275150 Ano: 2013
Disciplina: Engenharia Elétrica
Banca: UFV
Orgão: UFV
Provas:

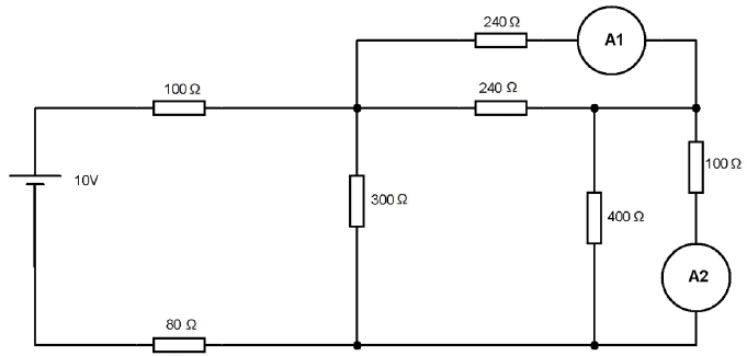
Considere o circuito de corrente contínua abaixo:

Enunciado 2952880-1

As correntes que passam pelos amperímetros A1 e A2 são, respectivamente:

 

Provas

Questão presente nas seguintes provas

Técnico de Eletrotécnica

40 Questões